Манометры дифференциальные мембранные газовые
от 24 220 ₽
Диаметр корпуса, мм: 90
Класс точности: 1,5
Перегрузка: кратковременная нагрузка: 110% шкалы
Диапазон рабочих температур, °C: Окружающая среда: −40…+70; Измеряемая среда: −30…+60
Корпус: IP65, нержавеющая сталь 08Х17Н13М2
Кольцо: нержавеющая сталь 08Х17Н13М2
Чувствительный элемент: медный сплав
Циферблат: алюминий, шкала черная на белом фоне
Стекло: органическое, безопасное
Штуцер: нержавеющая сталь 08Х17Н13М2
Резьба присоединения* : 2×M12×1,5 * — под заказ другие резьбы
Варианты монтажа: Без вентильного блока; С использованием соединительных рукавов; С трехвентильным блоком 3ВБ
Кронштейн: нержавеющая сталь 08Х18Н10
Межповерочный интервал: 1 год
Техническая документация: НСРП.406123.006ТУ
Диаметр корпуса, мм: 90
Класс точности: 1,5
Перегрузка: кратковременная нагрузка: 110% шкалы
Диапазон рабочих температур, °C: Окружающая среда: −40…+70; Измеряемая среда: −30…+60
Корпус: IP65, нержавеющая сталь 08Х17Н13М2
Кольцо: нержавеющая сталь 08Х17Н13М2
Чувствительный элемент: медный сплав
Циферблат: алюминий, шкала черная на белом фоне
Стекло: органическое, безопасное
Штуцер: нержавеющая сталь 08Х17Н13М2
Резьба присоединения* : 2×M12×1,5 * — под заказ другие резьбы
Варианты монтажа: Без вентильного блока; С использованием соединительных рукавов; С трехвентильным блоком 3ВБ
Кронштейн: нержавеющая сталь 08Х18Н10
Межповерочный интервал: 1 год
Техническая документация: НСРП.406123.006ТУ
Описание
Документация
Тип ТМД-4, серия 21
Предназначены для измерения разности давлений незагрязненных, неагрессивных газов.
Область применения: системы газоснабжения промышленных предприятий и коммунальных объектов ЖКХ.
Диапазон показаний давлений
| Единицы измерения | Диапазон | Максимальное статическое давление |
| кПа | 0…1,6 / 2,5 / 4 / 6 / 10 / 16 / 25 / 40 / 60 / 100 / 160 / 250 / 400 / 600 | 1,6 МПа |
| МПа | 0…1 / 1,6 |
Манометры ТМД-4 серии 21
| Тип | Диаметр корпуса | Класс точности | Исполнение | Диапазон показаний давлений, кПа | Резьба присоединения | Присоединение (расположение штуцера) |
Цена с НДС, руб. |
|---|---|---|---|---|---|---|---|
| ТМД-4-421 | 90 | 1,5 | IP65 | 0…1,6 / 2,5 / 4 / 6 / 10 / 16 / 25 / 40 / 60 | 2×M12×1,5 | радиальное | 24220 |
| 0…100 / 250 / 400 / 600 / 1000 / 1600 | 34640 |
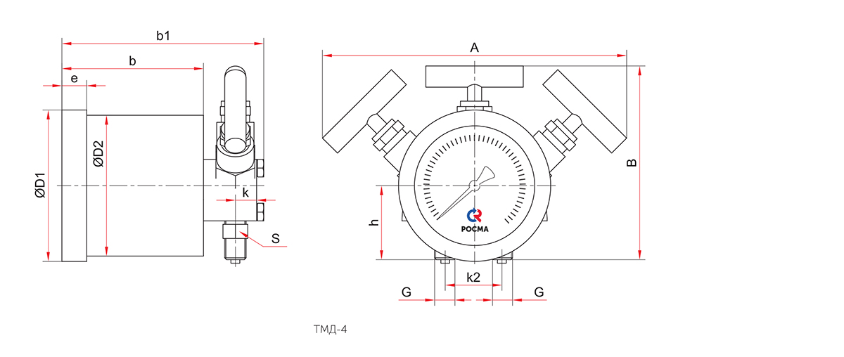
ЧЕРТЕЖИ

| Тип | Ø | D1 | D2 | b | b1 | e | h | k | k2 | S | G | A | B | Вес |
|---|---|---|---|---|---|---|---|---|---|---|---|---|---|---|
| ТМД-4-421Р | 90 | 86 | 80 | 80 | 114 | 14 | 42 | 12 | 32 | 14 | 2×M12×1,5 | 186 — 193 | 122 — 127 | 2,86 |

МОНТАЖ И ЭКСПЛУАТАЦИЯ
Монтаж/демонтаж дифманометра ТМД производится при отсутствии давления в трубопроводе. Прибор должен быть установлен либо в нормальном рабочем положении (положение прибора с вертикальным расположением циферблата (допускаемое отклонение ±5° в любую сторону)), либо в соответствии со знаком рабочего положения, указанным на циферблате.
Монтаж дифманометра ТМД к технологическому процессу выполняется поочередным подключением импульсных линий к штуцерам прибора с помощью гаечного ключа.
Прикладывать усилие к корпусу прибора запрещается. Крутящий момент при монтаже не должен превышать 15 Н∙м. Подвод давления осуществляется трубопроводами с внутренним диаметром не менее 3 мм.
ТМД следует нагружать давлением постепенно и не допускать резких скачков давления; не превышать диапазон измерений.
Рекомендуемый вариант монтажа — в комплекте со штатным трехвентильным блоком 3ВБ.

При подключении дифференциального манометра с вентильным блоком следует выполнять указанные операции в следующем порядке:
- Начальное положение: плюсовой и минусовой вентили трехвентильного блока закрыты; уравнивающий вентиль открыт.
- При достижении рабочего давления, плавно, поворотом рукоятки до упора, полностью открыть плюсовой вентиль.
- Закрыть уравнивающий вентиль.
- Затем, также медленно, плавно открыть минусовой вентиль.
Отключение дифференциального манометра с вентильным блоком от процесса производится в обратном порядке.
Для герметизации цилиндрической резьбы М12х1,5 рекомендуется использовать плоские уплотнительные кольца.
Запрещается использовать растворители и абразивы для очистки стекол.
ТМД необходимо исключить из эксплуатации и сдать в ремонт в случае, если:
- прибор не работает;
- стекло разбито или повреждено;
- стрелка движется скачками или не возвращается к нулевой отметке;
- погрешность показаний превышает допустимое значение.
При отсутствии давления стрелка должна находиться в пределах участка нулевой отметки. Отклонение стрелки за пределы этого участка свидетельствует о неисправности прибора.
Нужна помощь? Не знаете подойдут ли комплектующие
для вашего проекта?
Оставьте заявку на бесплатную
консультацию